欢迎访问陕西省畜牧业协会!
网站首页
关于协会
协会简介
组织机构
协会领导
会长致辞
我要入会
协会之声
企业天地
中国西部畜牧业博览会
行业动态
行业要闻
政策法规
网上讲座
技术服务
专家团队
技术标准
市场信息
市场价格
市场监测
党建工作
会员单位
联系我们
关于协会
协会简介
组织机构
协会领导
会长致辞
我要入会
协会之声
企业天地
中国西部畜牧业博览会
行业动态
行业要闻
政策法规
网上讲座
技术服务
专家团队
技术标准
市场信息
市场价格
市场监测
党建工作
会员单位
联系我们
畜产加工
畜产加工
您的位置:
首页
>
技术服务
>
技术标准
>
畜产加工
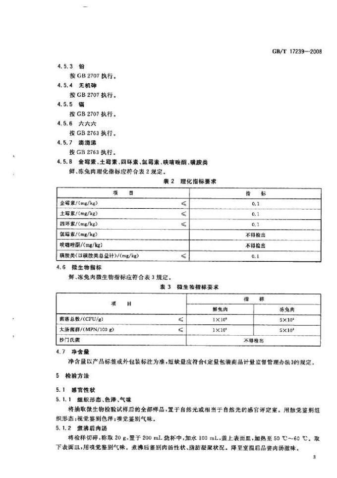
GB/T 17239-2008 鲜、冻兔肉
2022-05-26
446
作者:
来源:
GB/T 17239-2008 鲜、冻兔肉
上一篇:
GB/T 20401-2006 畜禽肉食品绿色生产线资质条件
下一篇:
GB/T 9959.2-2008 分割鲜冻猪瘦肉
陕西省畜牧业协会
手机:
电话:029-86254602
邮箱:2507169520@qq.com
地址:西安市新城区建强路5号圣远广场B座6018室
Copyright © 2022 陕西省畜牧业协会 版权所有