欢迎访问陕西省畜牧业协会!
网站首页
关于协会
协会简介
组织机构
协会领导
会长致辞
我要入会
协会之声
企业天地
中国西部畜牧业博览会
行业动态
行业要闻
政策法规
网上讲座
技术服务
专家团队
技术标准
市场信息
市场价格
市场监测
党建工作
会员单位
联系我们
关于协会
协会简介
组织机构
协会领导
会长致辞
我要入会
协会之声
企业天地
中国西部畜牧业博览会
行业动态
行业要闻
政策法规
网上讲座
技术服务
专家团队
技术标准
市场信息
市场价格
市场监测
党建工作
会员单位
联系我们
养牛
养牛
您的位置:
首页
>
技术服务
>
技术标准
>
畜禽养殖
>
养牛
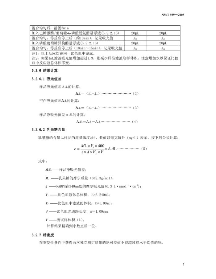
NY/T939-2005巴氏杀菌乳和UHT灭菌乳中 复原乳的鉴定
2022-05-27
627
作者:
来源:
NY/T939-2005巴氏杀菌乳和UHT灭菌乳中
复原乳的鉴定
上一篇:
GB/T20804-2006奶牛复合微量元素维生素预混合饲料
下一篇:
NY/T1178-2006牧区牛羊棚圈建设技术规范
陕西省畜牧业协会
手机:
电话:029-86254602
邮箱:2507169520@qq.com
地址:西安市新城区建强路5号圣远广场B座6018室
Copyright © 2022 陕西省畜牧业协会 版权所有